Pelletikatel Pelle 14 kW koos paigaldusega

Hinnapakkumine pelletikatlamaja Pelle 14 koos paigaldusega
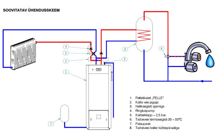
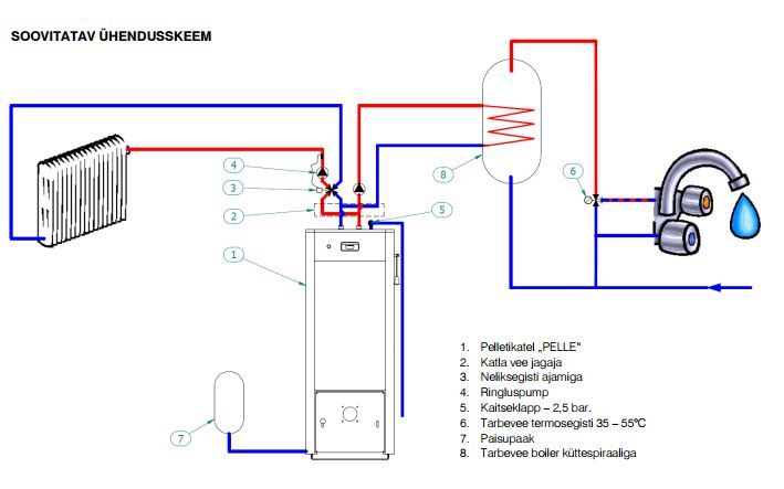
1 tk. Pelle pelletikatla komplekt 14 (isepuhastuv)
Komplektis: Pelle pelletikatel 20 kW, pelletipõleti KIPI Rot Power 16, juhtseade ecoMAX860, etteandetigu 1,8 m ja mahuti 330 l
Võimalik erinev automaatika lisavarustus (Wifi moodul, ruumitermostaat, Lambda andur jms). Lisavarustuse hinnakirja leiad: KIPI lisavarustus
1 tk. Katla korstnaslepe komplekt
Katla ühendamine korstnaga, komplektis põlv 0-90° puhastusluugiga, Korstna tõmberegulaator 10-30 Pa, suitsugaaside bi-metall termomeeter 0-500°C
1 tk. Katla elektriküttekeha 6 kW komplekt
Avariiküte. Komplektis: Kütteelement EFFEKT 6 kW, 435 mm, AISI 304, 2", 3x400/230 V ja reguleerimisseade TY signaallambiga, +(7°C) 30 °C...+85 °C
1 tk. Küttekontuuri segusõlm katlapealne komplekt
A klassi tsirkulatsioonipump, 4 T seguventiil, ventiiliajam ja kuulkraan mudafiltriga.
1 tk. Paisupaak küttesüsteemile 35 l komplekt
Komplektis: paisupaak, manomeeter, manomeetrikraan ja hooldusliitmik.
1 tk. Sooja tarbeveeboiler 200 l komplekt
Komplektis on 2-süsteemne boiler Sunsystem SWP N 200 l, Ø560 h-1340 mm, soojusvaheti 1,9 m2, el. küttekeha 2 kW ja laadimispump
1 tk. Paisupaak tarbeveeboilerile 18 l komplekt
Komplektis paisupaak, seinakinnitus MB ja hooldusliitmik AirfixControl.
Põhiseadmed kokku xxxxx eur
Võimalus valida ka 18 kW või 23 kW katla komplekt:
Pelle pelletikatla komplekt 14, 18 ja 23 kW (isepuhastuv)
1 tk. Paigaldus + lisatarvikud (torud, kaablid, liitmikud, termomeetrid, manomeetrid, sulud, õhutusventiilid, kinnitusvahendid jne.), hind xxxx eur
Paigalduse hind võib muutuda, sõltub objekt asukohast ja hoone seisukorrast. Täpse hinna teeme, kui oleme objektiga kohapeal tutvunud
Hind kokku xxxx eur
Korstnahülss koos paigaldusega ca xxxx eur
Moodulkorsten koos paigaldusega ca xxxx eur
Pakkumises olev hind xxxxx eur ei sisalda üldehituse-, kanalisatsiooni- ja tuletõkketöid. Pakkumine on tehtud eeldusega, et katlamaja ruum on ette valmistatud ning on piisavalt ruumi seadmete jaoks. Et katlaruumis on olemas tarbe- ja küttevee toruotsad (kollektorid küttekontuuridele ja tarbeveele), veemõõdusõlm, äravoolutrapp ja elektrikilp (vabade kaitseautomatidega). Et on olemas sobiv korsten (tagatud alarõhk 20 Pa) ja värskeõhuava (14 kW puhul min 90 cm²).
Pakkumise koostas:
Hemeltron
Tel: 56665535
e-post: info@hemeltron.ee

